Konstrukční výhody a vlastnosti
1. Výrobek je navržen a vyroben podle národní normy GB 12235, s přiměřenou strukturou, spolehlivým těsněním, výkonem a krásným tvarem.
2. Klapka, těsnící povrch sedla ventilu z aly na bázi železa nebo satelitu (elie) vyrobený ze svařování slitiny na bázi kobaltu, odolný proti opotřebení, vysoké teplotě, korozi, proti oděru, dlouhá životnost.
3. Vřeteno kalené a ošetření dusíkem s dobrou odolností vůči korozi a poškrábání.
4. Lze použít s různými standardními přírubami potrubí a typy těsnicích ploch přírub, aby vyhovovaly různým potřebám projektu a požadavkům uživatelů.
5. Různé materiály těla, těsnění a těsnění mohou být založeny na skutečných pracovních podmínkách nebo uživatel požaduje rozumnou volbu a lze je použít pro všechny druhy tlaku, teploty a podmínek média.
6. Utěsněno šroubovým spojem těsnění zadního sedadla nebo těla vyrobeno z nerezové oceli svařováním, těsnění a spolehlivá výměna lemu non-stop pohodlným a efektivním způsobem neovlivňuje provoz systému.
Normy a normy
| Design a výroba | Délka konstrukce | Jmenovitý tlak a teplota | Spojovací příruba | Test a kontrola |
| GB 12235 | GB 12221 | GB 12224 | JB/T 79/82~1994 GB 9113 HG 20592-20635 | JB/T 9092-1999 GB 13927 |
Materiál hlavních součástí
| Jméno | Materiál | ||||||||
| Karoserie/Kapota | CF8 | CF3 | CF8M | CF3M | WCB | LCB | WC6 | WC9 | C5 |
| Klín | CF8 | CF3 | CF8M | CF3M | WCB | LCB | WC6 | WC9 | C5 |
| Stopka | F304 | F304L | F316 | F316L | 2CR13 | F304 | F304 | F304 | F304 |
| Stopka Nut | Hliníkový bronz | ||||||||
| Balení | PTFE/Flexibilní grafit | Grafit | |||||||
| Těsnění | PTFE/kovová omotávka | Grafit | |||||||
| Žláza | CF8 | CF3 | CF8M | CF3M | WCB | LCB | WC6 | WC9 | C5 |
| Bolt | 35CrMoA | ||||||||
| Ořech | Nerezová ocel | 45, 35 CrMoA | |||||||
| Ruční kolo | Nerezová ocel Cast Steel | ||||||||
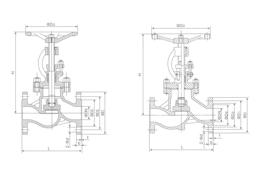
Hlavní vnější a připojovací rozměr
| PN (MPa) | DN (mm) | Velikost (mm) | elektrické zařízení model | Tloušťka stěny | |||||||||
| L | D | D1 | D2 | D6 | b-f | f2 | Z-Φd | H | D0 | ||||
| 1.6 | 10 | 130 | 90 | 60 | 40 | 16-2 | 4-φ14 | 198 | 120 | 6.4 | |||
| 15 | 130 | 95 | 65 | 45 | 16-2 | 4-φ14 | 218 | 120 | 6.4 | ||||
| 20 | 150 | 105 | 75 | 55 | 18-2 | 4-φ14 | 230 | 140 | 6.4 | ||||
| 25 | 160 | 115 | 85 | 65 | 18-2 | 4-φ14 | 240 | 160 | 6.4 | ||||
| 32 | 180 | 140 | 100 | 78 | 18-2 | 4-φ18 | 250 | 180 | 6.4 | ||||
| 40 | 200 | 150 | 110 | 85 | 18-3 | 4-φ18 | 262 | 200 | 6.4 | ||||
| 50 | 230 | 165 | 125 | 100 | 18-3 | 4-φ18 | 280 | 240 | DZW10A | 7.9 | |||
| 65 | 290 | 185 | 145 | 120 | 18-3 | 8-φ18 | 327 | 280 | DZW10A | 11 | |||
| 80 | 310 | 200 | 160 | 135 | 20-3 | 8-φ18 | 355 | 280 | DZW10A | 11.5 | |||
| 100 | 350 | 220 | 180 | 155 | 20-3 | 8-φ18 | 415 | 320 | DZW15A | 12.5 | |||
| 125 | 400 | 250 | 210 | 185 | 22-3 | 8-φ18 | 460 | 360 | DZW20A | 13 | |||
| 150 | 480 | 285 | 240 | 210 | 22-3 | 8-φ22 | 510 | 400 | DZW30A | 13.5 | |||
| 200 | 600 | 340 | 295 | 265 | 24-3 | 12-φ22 | 588 | 400 | DZW45A | 15 | |||
| 250 | 650 | 405 | 355 | 320 | 26-3 | 12-φ26 | 725 | 450 | DZW60A | 16 | |||
| 300 | 750 | 460 | 410 | 375 | 28-4 | 12-φ26 | 925 | 500 | DZW90 | 18 | |||
| 350 | 850 | 520 | 470 | 435 | 30-4 | 16-φ26 | 1030 | 600 | DZW120 | 19 | |||
| 400 | 950 | 580 | 525 | 485 | 32-4 | 16-φ30 | 1170 | 700 | DZW180 | 21 | |||
| 450 | 1050 | 640 | 585 | 545 | 40-4 | 20-φ30 | 1220 | 800 | DZW180 | 21.5 | |||
| 500 | 1150 | 715 | 650 | 608 | 44-4 | 20-φ33 | 1410 | 900 | DZW250 | 22 | |||
| 600 | 1350 | 840 | 770 | 718 | 54-5 | 20-φ36 | 1610 | 1000 | DZW 350 $ $ | 25 | |||
O Changshui
Changshui Technology Group Co., Ltd.is a valve integrating R&D, manufacturing, sales and service The manufacturer is currently one of the main suppliers of general-purpose valves in China. The main products are: gate valves, globe valves, butterfly valves, ball valves, check valves, regulating valves, pressure reducing valves, diaphragm valves, plug valves, plunger valves, drains Valves, hydraulic control valves, etc. Vysoce kvalitní produkty byly chváleny a respektovány uživateli v různých průmyslových odvětvích a jsou široce používány ve stavebnictví, vytápění, zásobování vodou, ropě, chemickém průmyslu, elektroenergetice a dalších průmyslových odvětvích! Účelem společnosti je přispívat společnosti vysoce kvalitními produkty. „Naším cílem je spokojenost uživatelů“. Naše politika kvality zní: „Splňujte potřeby a očekávání uživatelů v oblasti kvality produktů a skočte vpřed Prvotřídní úroveň řízení kvality, výroba prvotřídních produktů, vytváření prvotřídních služeb,“ CSHUValve Industry má Společnost je ochotna spolupracovat s novými i starými přáteli, kolegy ve společnosti a uživateli doma i v zahraničí, aby se znovu spojili a Floor, vytvořili novou slávu!
Úvod do komponentů škrticích ventilů Škrtící klapka je všestranný a široce používaný typ ventilu v různých průmyslových odvětvích, známý pro svo...
READ MOREBěžné problémy s uzavíracím ventilem Šoupátka jsou základní součástí v různých průmyslových a obytných systémech a poskytují spolehlivý způsob ř...
READ MOREPochopení zpětných ventilů Zpětný ventil je mechanické zařízení, které umožňuje tekutině nebo plynu proudit pouze jedním směrem. Jeho primární f...
READ MORE1. Přehled litin z tvárné litiny Tvárná litina, známá také jako tvárná litina nebo litina s kuličkovým grafitem, je druh litiny vyznačující se v...
READ MORE1. Pochopení ventilů a sedel Ventily a sedla jsou základními součástmi při řízení průtoku kapalin nebo plynů v potrubí, motorech a strojích. Ven...
READ MORE